Sign In | Join Free | My chinacomputerparts.com
China Anterwell Technology Ltd. logo
Anterwell Technology Ltd.
Anterwell Technology Ltd. Large Original stock of IC Electronics Components, Transistors, Diodes etc. High Quality, Reasonable Price, Fast Delivery.
Site Member

10 Years

Home > SMD LED Diode >

1N5342BRLG integrated components Integrated Circuit Chip 5 Watt Surmetic TM 40 Zener Voltage Regulators

Anterwell Technology Ltd.
Contact Now

1N5342BRLG integrated components Integrated Circuit Chip 5 Watt Surmetic TM 40 Zener Voltage Regulators

Brand Name : Anterwell

Model Number : 1N5342BRLG

Certification : new & original

Place of Origin : original factory

MOQ : 10pcs

Price : Negotiate

Payment Terms : T/T, Western Union, Paypal

Supply Ability : 8600pcs

Delivery Time : 1 day

Packaging Details : Please contact me for details

Zener Voltage Range : 3.3 V to 200 V

Package : Pb−Free

Max. Steady State Power Dissipation @ TL = 75°C : 5 W

Max. Steady State Power Dissipation(Derate above 75°C) : 40 mW/°C

Operating Temperature Range : −65 to +200 °C

Storage Temperature Range : −65 to +200 °C

Contact Now

1N5333B Series Preferred Device

5 Watt Surmetic 40 Zener Voltage Regulators

This is a complete series of 5 Watt Zener diodes with tight limits and better operating characteristics that reflect the superior capabilities of silicon−oxide passivated junctions. All this in an axial lead, transfer−molded plastic package that offers protection in all common environmental conditions.

Features

• Zener Voltage Range − 3.3 V to 200 V

• ESD Rating of Class 3 (>16 kV) per Human Body Model

• Surge Rating of up to 180 W @ 8.3 ms

• Maximum Limits Guaranteed on up to Six Electrical Parameters

• Pb−Free Packages are Available

Mechanical Characteristics

CASE: Void free, transfer−molded, thermosetting plastic

FINISH: All external surfaces are corrosion resistant and leads are readily solderable

MAXIMUM LEAD TEMPERATURE FOR SOLDERING PURPOSES:

230°C, 1/16 in. from the case for 10 seconds

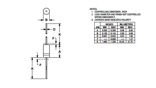
POLARITY: Cathode indicated by polarity band

MOUNTING POSITION: Any

MAXIMUM RATINGS

Rating Symbol Value Unit

Max. Steady State Power Dissipation

@ TL = 75°C, Lead Length = 3/8 in

Derate above 75°C

PD

5

40

W

mW/°C

Operating and Storage Temperature Range TJ, Tstg −65 to +200 °C

Stresses exceeding Maximum Ratings may damage the device. Maximum Ratings are stress ratings only. Functional operation above the Recommended Operating Conditions is not implied. Extended exposure to stresses above the Recommended Operating Conditions may affect device reliability.

1N5342BRLG integrated components Integrated Circuit Chip 5 Watt Surmetic TM 40 Zener Voltage Regulators 1N5342BRLG integrated components Integrated Circuit Chip 5 Watt Surmetic TM 40 Zener Voltage Regulators

PACKAGE DIMENSIONS

SURMETIC 40, AXIAL LEAD

CASE 017AA−01

ISSUE O

1N5342BRLG integrated components Integrated Circuit Chip 5 Watt Surmetic TM 40 Zener Voltage Regulators

Stock Offer (Hot Sell)

Part NO. Q'ty MFG D/C Package
PIC16F688-I/SL 5048 MICROCHIP 16+ SOP
MPX5700DP 6127 FREESCALE 15+ SIP
NE5534ADR 17440 TI 14+ SOP
MAX3077EESA+ 9150 MAXIM 14+ SOP
MT29F8G08ABABAWP-IT:B 6995 MICRON 15+ TSOP
MAX7313ATG 6821 MAXIM 16+ QFN
XCF08PFSG48C 506 XILINX 15+ BGA
M41T62Q6F 3672 ST 12+ QFN
CY62167EV18LL-55BVI 1794 CYPRESS 13+ TSOP32
MAX7313AEG+ 6760 MAXIM 16+ SSOP
MAX3232EIDBR 11500 TI 14+ SSOP
MC908QT2ACPE 4486 FREESCALE 14+ DIP
NSS35200MR6T1G 30000 ON 16+ SOT23-6
LTC4357CMS8#TRPBF 6337 LINEAR 16+ MSOP
XC6SLX9-3TQG144I 431 XILINX 15+ TQFP144
MC7812CTG 30000 ON 16+ TO-220
MSP430F2618TPMR 6750 TI 12+ QFP
MC908QY2ACDWE 4492 FREESCALE 16+ SOP
BC847CLT1G 10000 ON 14+ SOT-23
BC848CLT1G 10000 ON 16+ SOT-23
LM7812CT 10000 NSC 15+ TO-220


Product Tags:

led diode za tablice

      

led diode strip

      
China 1N5342BRLG integrated components Integrated Circuit Chip 5 Watt Surmetic TM 40 Zener Voltage Regulators factory

1N5342BRLG integrated components Integrated Circuit Chip 5 Watt Surmetic TM 40 Zener Voltage Regulators Images

Inquiry Cart 0
Send your message to this supplier
 
*From:
*To: Anterwell Technology Ltd.
*Subject:
*Message:
Characters Remaining: (0/3000)