| Sign In | Join Free | My chinacomputerparts.com |
|
Brand Name : Analog Devices
Model Number : ADM242ARZ
Certification : Original Factory Pack
Place of Origin : Original
MOQ : 5pcs
Price : Negotiation
Payment Terms : T/T, Western Union,PayPal
Supply Ability : 290PCS
Delivery Time : 1 Day
Packaging Details : please contact me for details
VCC : 6 V
V+ : (VCC – 0.3 V) to +13 V
V- : +0.3 V to –13 V
Power Dissipation N-16 : 400 mW
θJA, Thermal Impedance : 80°C/W
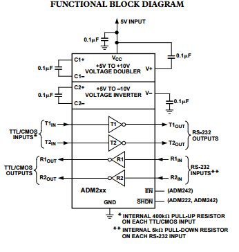
High-Speed, 5 V, 0.1 F CMOS RS-232 Drivers/Receivers
ADM222/ADM232A/ADM242
FEATURES
200 kB/s Transmission Rate
Small (0.1 F) Charge Pump Capacitors
Single 5 V Power Supply
Meets All EIA-232-E and V.28 Specifications
Two Drivers and Two Receivers
On-Board DC-DC Converters
9 V Output Swing with 5 V Supply
30 V Receiver Input Levels
Pin Compatible with MAX222/MAX232A/MAX242
APPLICATIONS
Computers
Peripherals
Modems
Printers Instruments
GENERAL DESCRIPTION
The ADM222, ADM232A, ADM242 are a family of high-speed RS-232 line drivers/receivers offering transmission rates up to 200 kB/s. Operating from a single 5 V power supply, a highly efficient on-chip charge pump using small (0.1 µF) external capacitors allows RS-232 bipolar levels to be developed. Two RS-232 drivers and two RS-232 receivers are provided on each device. The devices are fabricated on BiCMOS, an advanced mixed technology process that combines low power CMOS with highspeed bipolar circuitry. This allows for transmission rates up to 200 kB/s, yet minimizes the quiescent power supply current to under 5 mA.
Test Circuits

|
|
5 V, 0.1 F CMOS RS-232 Drivers / Receivers 200 kB/s Transmission Rate Single 5V Power Supply Images |